Position Angulaire Logique Ou Analogique
Capteurs Et Detecteurs Ppt Video Online Telecharger
Technologie Des Capteurs
Locoduino Realisation D Un Wagon De Mesure Distance Et Vitesse
Capteur Logique De Temperature Tor Pdf Free Download
Les Capteurs
Cours Capteur Final
Les Capteurs Capteur Signal Electrique
Le Codeur Optique Le Prince Du Positionnement Angulaire
Capteurs Analogiques Numeriques Tor Photoelectriques F2school
Acquisition De Donnees Ppt Telecharger
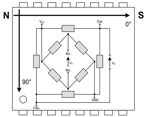
Mesures De La Rotation A L Aide De Resolveurs Digikey
Ball On Wheel
Un Moteur Qui A De La Tete Le Servomoteur Le Blog D Eskimon
Epa1 Systeme D Asservissement De La Position D Un Organe Mobile A Des Signaux Numeriques De Commande Et Interface Numerique Analogique Pour Un Tel Systeme Google Patents
I Exemples
Les Capteurs D Angle De Rotation Mesurent La Vitesse Et La Position Digikey
Ppt L Electronique Numerique Powerpoint Presentation Free Download Id
Capteurs De Position Et De Deplacement Pdf Free Download
Schema De Principe D Une Gamma Camera A Logique D Anger Download Scientific Diagram
Ppt L Electronique Numerique Powerpoint Presentation Free Download Id
Acquisition Et Conditionnement De L Information
Capteur Wikipedia
Locoduino Realisation D Un Wagon De Mesure Distance Et Vitesse
Calameo Msost16 2 3 4 Principe Fonct Capteur
Mesures De La Rotation A L Aide De Resolveurs Digikey
Bonjour Pourriez Vous M Aider Svp Merci Nosdevoirs Fr
Systemes Automatises De Production Dialogue Pc Po
Les Capteurs D Angle De Rotation Mesurent La Vitesse Et La Position Digikey
Codeurs Capteurs Angulaires Codeurs
Cours Capteur Final
Capteur De Position Inductif End Of Shaft Pour E Motor Efi Automotive
Logo De Bricotronique Accueil Forum Annuaire Actualite Newsletter Librairie Contact Newsletter S Inscrire L Electronique Pratique Les Montages Les Dossiers Les Calculateurs Les Cours Les Astuces Les Datasheets Services Interactifs Le Forum
Ppt L Electronique Numerique Powerpoint Presentation Free Download Id
Fonctions Analogiques Fondamentales
Capteur De Position Angulaire
Logo De Bricotronique Accueil Forum Annuaire Actualite Newsletter Librairie Contact Newsletter S Inscrire L Electronique Pratique Les Montages Les Dossiers Les Calculateurs Les Cours Les Astuces Les Datasheets Services Interactifs Le Forum
Les Capteurs E
Cas Etudies En 1ere La Si Au Lp2i Page 3
Les Codeurs Incrementaux Arduino L Essentiel
Epa1 Systeme D Asservissement De La Position D Un Organe Mobile A Des Signaux Numeriques De Commande Et Interface Numerique Analogique Pour Un Tel Systeme Google Patents
Industrial Iot Advances In Sensor Technology Enhance The Smart Factory Arrow Com
Mesures De La Rotation A L Aide De Resolveurs Digikey
Modelisations De Composants Specifiques De La Chaine D Information Page 4 4 Technologie Et Sciences Pour L Ingenieur Pedagogie Academie De Poitiers
Capteur Logique De Temperature Tor Pdf Free Download
Les Differents Types De Codeur Technoindus Com
Capteurs Analogiques Numeriques Tor Photoelectriques F2school
Codeur Absolu
Capteur Analogique
Techniques De Conversions Numerique Analogique Et Uvt E Doc Manualzz
Industrial Iot Advances In Sensor Technology Enhance The Smart Factory Arrow Com
Bonjour J Ai Un Devoir De Technologie Et Je N Y Arrive Pas Votre Aide Serait La Bienvenue P S Nosdevoirs Fr
Les Codeurs Absolus Ak Industries


